Blog >> első
Kb 30 ezer volt benne. Kezdett visítani és idegelt. Bírt volna még, ha a vastagságát nézzük, de ez a nyöszörgés kivégez. Bal oldali jobban kopott, onnan is jött a hang.
Valami kopog, koppan azon az oldalon ezt meg kell vizslatni.
294.042 km
25.740 Ft
13.0460-4971
Nagyon idegesítő volt, hogy az első illetve a hátsó fékek, mindig visítottak fékezéskor. Így hát elhatároztam, hogy lecserélem az 75-80%-os fékbetéteket.
Csoportban keresgéltem sokat, hogy mire lenne érdemes váltani. Mivel Textar tárcsám és betéteim voltak, ezért a Brembo betéteket ajánlották.
Be is tettem őket, illetve a hozzáadott tartókengyeleket és csavarokat is, majd jött a bekopás időszaka. Semmi hangja nem volt és mai napig sincsen. Néha azért hátulról egyszer-egyszer megnyikkan, de semmi vészes. Ha bemelegedett akkor egyáltalán nulla.
Körülbelül, olyan 3000km után arra lettem figyelmes, hogy hátulról klattyanó hang jön, mintha valamilyen szilent szétment volna. Előre-hátra is csinálta, aztán rájöttem, hogy a hátsó betéteket tartó kis konzolba lötyög a betét. Visszatettem a régi tartókat, (azokat eltettem tartalékba) és megszünt a hiba.
Hiányzott az egyik tárcsánál a rögzítő csavar, így hát azt is rendeltem és pótoltam. (Textart vettem)
Ha már lent voltak a kerekek, akkor kaptak egy alapos mosást, azonfelül a kerékjáratokat is szépen megtisztítottam. A vízelvezetőket színtén kitakarítottam, hogy azzal se legyen gond a későbbiekben. (Sok szemét nem volt benne, mert félévente takarítom.)
Első fékbetét: 13.730 Ft
Hátsó fékbetét: 11.180 Ft
Tárcsához csavar: 822 Ft








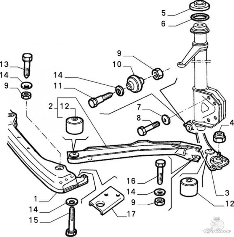
Az első futómű kimaradt a "Nagy Felújításból" - nem is történhetett másképp, hiszen először azon támaszkodott az egész verda 3 évig - majd felgyorsultak az események és eközben se idő, se igény nem volt rá - emlékeimben amúgy is teljesen jól működő szerkezetként élt akkor még...
Valóban nem rémlik nagy gond, olyan 2006 körül az alsó végén rögzítetlen gumiharang miatt megadta magát a jobbos gátló - egy bontott tornyot bartereztem, csapágy/szilent-csere és festés után kompletten cseréltem. Később volt egy rejtélyes rugó-ropogás amit először a gyönyörű és ezért sok 33/SW példányra feltett, ET-ben viszont a gyári kerékkel köszönőviszonyban sem álló RONAL számlájára írtam - csakhogy a gyári lemezkerékkel is megvolt :-o
Volt marék golyóként kiszedett toronycsapágy is ebben az időben - de vagy megoldódott - vagy csak megszoktam az állapotot (ekkoriban osztotta meg valaki azt a tévhitet hogy a két torony a gátlót leszámítva azonos alkatrészekből áll, nem kizárt hogy össze lett cserélve valemelyik oldalspecifikus alkatrész)
Végül már a hosszú pihenőt követő első vizsga után bő egy évvel, 2015 novemberében került sorra ez a terület* - és kezdődött a vesszőfutás...(* "ha már ott járok" mottóval bevontam az első kerékdobok környékét és a féltengelyeket is a projektbe-illetve ekkor derült ki hogy folyik a kupplung-munkahengerem)
Maguk a tornyok csak szét lettek szedve és egy angol felújítós oldal fotóiból próbáltam az oldalérzékeny elemeket (alsó rugótányér és a felső, elemekből összerakandó szilent felső tányérja) megnyugtatóan tisztázni. Új, utángyártott lengőkarok szilentekkel és rajtuk új talpasgömbfejek csavarral rögzítve, a hosszmerevítő újraszilentezve-javítófestve, csavarok horganyoztatva. Kerékagyakat szerelőnél "kinyomattattattam" a tengelycsapból- majd új SKF csapágyszettekkel lett összepréselve újból. Karácsonyra némi izgalom árán (a horgOnyoztatás az utolsó pillanatban lett kész / elromlott a bojlerünk / az egyik merevítőnek a kereszttartón lévő csavarján megszakadt a menet :-p) elkészült, elsőre jónak tűnt...
...aztán olyan 400-450 km környékén valami percegni kezdett a váltó mellett - először magamban kerestem a hibát, a féltengely rossz rögzítésére gyanakodva - de hosszas hibakeresés után rájöttem, hogy a lengőkar alváz-rögzítésétől jön a hang: az itt lévő szilent kijött a lengőkarból, helyesebben utóbbi csúszott le a fix gumiről és hozzáért az első köténylemezhez! Nyáron (2016) a horvát út előtt szilentcsere - éjszaka mentünk zuhogó esőben 1000 km-t, de mire odaértünk ugyanolyan volt! Újabb csere következő évben az olasz út előtt - Pécsig bírta! 2018-ban Bulgária előtt már hozzá se fogtam... :-p
Közben az alábbi infók, felismerések és tanácsok születtek:
-nem szabad azt a szilentet meghúzni csak a földön - (ezt úgy mondták,hogy az egésznek ez az oka!)
-az a szilent (talán a lengőkarban lévő eredeti is) fémházas, a gyári szilenteké műanyag (ez TÉNY!)
-sajnos lustaságból hajlamos voltam a kerékfelrakáshoz a lengőkarnál aláemelni - ez addig ártatlannak tűnt amíg a második cserénél azt nem láttam, hogy már ekkor elindul az egyik oldal :-(
Emellett felmerült hogy a fényképes azonosítás ellenére is lehetnek rossz oldalra tett alkatrészek, illetve (mivel épp' ez a csere ott fordulhat csak elő) a tornyokat is bele kellene vonni a projektbe és persze a(z) (angol) manual minden apróságát be kell tartani!
2019 tavaszán jöttek a figyelmeztető és sürgető jelek: kupplungcsere közben vettem észre hogy az első gumik belső élén kilátszik a fémszövet (ez lehet egy amúgy jó, de beállítatlan futótól is) majd talpraállítás után irdatlan pattogás a keresztbordákon...Utólag kiderült hogy a 2006-ban cserélt J1 gátló eddig bírta és elkezdett szivárogni...
Szerencsére ekkor már a donor 129 ezret futott tornyai ki voltak szerelve, nem tűntek bolygatottnak - vagyis roppant érdekes módon a jobbosban mindkét oldalspecifikus elemen volt egy utólagos kis furat :-O Rövid ideig még az 1-az-1-ben felhasználás is szóba került mivel új gátló sincs...Végül meggyőztem magam a felújíttatásukról (ezt a procedúrát először tévesen egy kalap alá vettem a szüleink idejében és autóján még elfogadott gumi-újrafutózással), pont szembejött egy szinterezési lehetőség, az elfekvőből lett rugóvégi műanyaghuzat, vettem új csapágyat és szilentet. A főkolompos szilentből nincs már műanyagházas gyári - illetve mégis: a dízelé ugyanaz a méret csak hosszban 4,08 mm-rel kisebb...Két csavarbolti alátéttel már csak 0,08 mm a diffi - ennyit sztem mozognak a köténylemezek, fontosabb volt végre a gyári és nem fémházassal megpróbálni - így ez is jöhetett, ki-be nyomattattam és nekiláttam a cserének...
Bár nem írták külön, nekem az jött le hogy minden tanáccsal ellentétben igenis rá kell húzni végleges nyomatékra a lengőkart a kasznira, méghozzá legelsőnek! Utána a többi szintén meg lett húzva, a torony is a csonkállványon és legvégül a torony teteje. A nagy nyári - a változatosság kedvéért ismét olasz - út előtt egy 200 km-es hazai túra és egy futóműbeállítás (a kupplungcserekor berakott ellenanyás-állítható összekötőknek hála már nem hajtottak el arra hivatkozva hogy nincs erre egy egy napjuk :-p) fért bele. A túra felénél egy nagyobb fékezéskor a jobb oldalról kopogás-sorozat hallatszott majd innen nagyobb hibákon egy-egy tompa koppanás, balról meg MINTHA valami halkan nyiszatolna...Mindegy, nem tűnt vészesnek és persze indulni kellett!
Még az országból sem értünk ki, mikor egy pályáról kiállásnál gurulva a relatív csendben ez a balos csikorgó-nyiszogó hang olyan intenzíven volt már hallható hogy a visszafordulás is megfordult bennem...Mentünk végül tovább fülelve - de pályatempónál annyira nem jelentkezett, csak ha lassulás-fékezés jött és persze odaérve minden rossz úton vagy lassú menetben. Ekkor már tudtam hogy nem volt jó ötlet erre az oldalra új helyett a garázsban lelt, gumijában hibátlan és színezése (horgany helyett passzivált) alapján nem is régi toronyszilentet betenni! Mindegy, kibírta - itthon vált igazán tarthatatlanná (talán csak azért mert tudtam hogy itt már lazán meg tudom csinálni), egy hétvégén nagyon figyelmesen kicseréltem.
Két dolog: 1>a nyiszogást biztosan a benne lévő csapágy okozta hiszen teljesen ki volt verődve a közepe 2> éppen ezért nagyon ügyeltem az összerakásnál hogy felül ne maradjon lötyögés, a jobbos esetéből (egy hirtelen fékezéstől jelent meg a kopogás) okulva pedig a torony felső csavarjaira épphogy rákapattam az anyákat és úgy tettem kerékre a verdát, majd szinte kézzel rátekerve meg lett mozgatva az autó, aztán kb. 500 méter kanyargós-fékezős menetpróba után is csak épphogy rá lett húzva.
Ez a felső rögzítés-technika csak érzésből jött, vártam is párszáz km-t vele - de bal oldalon bevállt, teljesen nesztelen lett - így már a jobbos-kopogós sem maradhatott. Bár láttam esélyt hogy csak és kizárólag a másik oldalon kifundált rögzítéssel is elnémítható - inkább vettem egy új szilentet (3500 km volt ebben a jobb kopogósban) és csere történt ugyanazzal a módszerrel és figyelemmel mint a bal oldalon. Azóta eltelt 4 hónap, mentünk párezret és minden kerek - és néha magam sem hiszem el hogy szerencsés esetben ehhez most jó darabig nem kell hozzányúlni.









Tervszerű karbantartás:
- Motorolaj (FUCHS Titan Supersyn 5W-40)
- Olajszűrő (Mann HU6007X*AN)
- Levegőszűrő (Sofima S 7606 A SOF *GD)
- Pollenszűrő
Olajfolyás:
Az autó alatt a motortérnél olajfoltok jelentek meg. Mint kiderült két forrásból, amiket cserélni kellett:
- Vezérműdekli tömítés
- Vezérműlánc feszítő patron
+ szükséges lett még:
- Szelepfedél tömítés
Első futómű:
Bal oldalról erősödő kopogás volt hallható a kisebb úthibáknál. Szükséges volt cserélni:
- Lengőkar (első, felső, RUVILLE 35/18/AH, 41/18/AH)
Hátsó fék:
A hátsó féktárcsa már szépen kivállasodott, betétekkel együtt újakat kapott:
- Féktárcsa (hátsó, BOSCH 986 479 378)
- Fékbetét (hátsó, BOSCH 986 424 775)
Munka:
motorolaj+szűrők csere, hibakódkiolvasás, vezérlés javítás: láncfeszítő patron cseréje, tömítések cseréje, első futómű átvizsgálás, első fékek átvizsgálása, első felső lengőkarok csere, hátsó fékek átvizsgálása, hátsó féktárcsa+fékbetétek csere
Km óraállás: 121900






Féltengelycserénél megemlítette a szerelő, hogy az első fékek gatyán vannak. Ezt már tudtam én is a nyári festés alkalmával. De már tényleg időszerű volt a csere.
A lincos.hu-ról rendeltem munkahenger visszanyomó szerszámot.
Textár tárcsák és betétek kerültek fel.


Januárban volt szerencsém újra látni az Alfát a szerelőnel szegényke igencsak ki könyökölt a motorja. Na jó ez egy enyhe túlzás de nincs fényes álapotban a képen látható balról jobbra a harmadik henger bal felső része teljesen eltünt a henger falán erős be marodás... Szatmári Úr ma hívott fel és közölte a jó hirt a motor javítható a pontos költségeket kesőbb megtudom. De azonban talált még pár dolgot amit jövő héten hétfőn meg mutat majd nekem. Akkor majd vissza térek és folytatom. Minden jót és baleset mentest mindenkinek!

Pár napja elkezdett durva hangokat kiadni a bal első ablakemelő. Recsegett, ropogott, fémes súrlódó hangot adott. Tegnap szétszedtem. A bovden "szőrösödött ki" 2 helyen.
A Bárdinál tudtak délutánra prezentálni alkatrészt, így onnan szereztem be.
Tegnap eljátszottam vele egy bő órát, mire szét mertem annyira szedni, hogy látszódjon mi a baj. A mai szerelés már gyorsabban ment.
Mivel a zárólemezt is le kell venni, így az is új tömítést kapott, ezzel kiiktattam egy potenciális beázási pontot.




Kb egy hétig tudtam használni a kocsit mielőtt kijöttem olaszba dolgozni. Ezalatt a hét alatt közel ezer kilométert sikerült megtennem vele és hát nem bántam meg :) Az első héten sikerült egy átvizsgálást is megejteni vele a D.Z-nél, ahol egy kerékcsapágyat kellett s.o.s cserélni. Az autó jó állapotban volt, egy parkszenzor és egy kézifék bowden eddig a hibalista, ezt majd olajcsere környékén orvosoljuk is majd. Az autó nagy sebességről való aktív fékezésnél kormányrázós, ezt is majd megnézetem szervízperiódusnál.
1
715
Fórum
Friss topicok
- 155
- VATA-FAK (Vajdaság)
- Giulia
- Alfa reklám
- Coffee - Minden ami kávé
- Üzemanyagtöltő-állomások
- Együnk-igyunk, amíg teh...
- Csevegés (Á la Alfa Rom...
- Zenebutik
- Mo-i utak helyzete: ele...



