Tagok >> Kareszka1984 >> Blog
Már egy ideje gondolkoztam rajta, meg hiányoltam is a tempomatot. Hosszas utánnajárás, kutakodás után egyre jobban biztos voltam benne, hogy megoldható. Sajnos nem volt bevezetékezve, így azt is nekem kellett megoldanom.
Ami feltétele az utólagos tempomatnak:
1. ECU típusa: ME 7.3.1
2. elektromos gázpedál
3. 4 pólusú fékpedál kapcsoló a hozzá tartozó vezetékezéssel
Én egy külföldi alfás fórumban leírtak alapján dolgoztam.
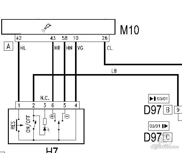
Már a fotók mindent elárulnak...amire figyelni kell, hogy nálam pl az ecu széles csatijában fordítva voltak beszámozva a pólusok, ez okozott némi idegeskedést és vakaródzást, de végül több helyről azt a választ kaptam, hogy az ecu tüskéinek számozása a mérvadó!!
A csatiba való sarukat egy bontott csatiból bányásztam ki, a vezeték pedig egyszerű LAN kábel (nem röhög, jó lesz). 12V-ot a motortérben a tolatólámpa kapcsolójának vezetékéről csíptem le, mivel gyárilag egy 7,5amperos biztosítékot használnak.
Motortérben szépen elrejtettem, becsöveztem, lebandázsoltam a vezetékeket, ugyanúgy a beltérben is.
Ami maradt az a kormányburkolat alsó része...sajnáltam kivágni a helyet a karnak, így amíg nem futok rá gyárira, anélkül közlekedünk.
Fotókat nem én készítettem...
Mindenki saját felelősségére fogjon hozzá, előbb szánjon időt és energiát a tanulmányozásra, utánnaolvasásra. Kérdezni szabad, ha tudok segítek is :)
km állás: 136970



2
983
Fórum
Friss topicok
- Giulia
- Zenebutik
- Találkozások
- Forma-1
- Együnk-igyunk, amíg teh...
- Alfa történelem, híres ...
- Tonale
- Alfa reklám
- Coffee - Minden ami kávé
- Mo-i utak helyzete: ele...
Tagok
Új tagjaink
- Kaccsa
- ramirez001
- “ Kevin “
- Rókus
- benebp
- Gyuszkó 159
- Olxander
- UTPcableman
- rajkailaszlo
- Tamas.F.Lamas
